Поиск по каталогу
Ходовые запчасти
Аксессуары
Расходники для то
Масла
позвонить
Доставка и оплата
Гарантии
Контакты
Политика конфиденциальности
позвонить
Ходовые запчасти
Каталог
Масла
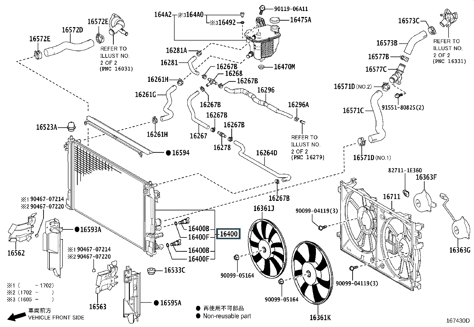
Радиаторы двигателя Лексус UX
все запчасти
Тормозные колодки
Опоры ДВС
Ремни генератора
Фильтры масляные
Радиаторы двигателя
Фильтры воздушные
Аккумуляторы
Тормозные диски
Рычаги и кулаки
Амортизаторы
Бампера
Капот
Крылья передние
Стекло лобовое
Двери боковые
Фильтры топливные
Фары передние
Противотуманные фары
Форсунки омывателя
Щетки
Фильтры салонные
Батареи
Радиатор ДВС
задать вопрос
Радиатор ДВС
задать вопрос
>
Запчасти
>
Радиаторы двигателя Лексус UX
Купить
Ваше имя
Ваш телефон
Ваша электронная почта
Отправить запрос
Оставляя свои данные в форме, вы подтверждаете свое согласие с
Политикой конфиденциальности
Поиск
Отмена
Ок